Многофункциональный рентгеновский дифрактометр
ДРОН-8Н
Отправить заявку
Многофункциональный рентгеновский дифрактометр ДРОН-8Н

Многофункциональный рентгеновский дифрактометр ДРОН-8 (8Н) с вертикальным тета-тета гониометром и горизонтальным положением образца позволяет проводить рентгенодифракционный анализ фазового состава, структурного состояния и ориентации широкого круга объектов различной формы и размера.

  • Высокоточный широкоугольный вертикальный Θ-Θ гониометр переменного радиуса
  • Моторизованная перестраиваемая рентгенооптическая система (опционно)
  • Реализация различных методов измерения
  • Гибкая конфигурация аппарата и широкий спектр опций
  • Разнообразие рентгенооптических схем
  • Программное управление всеми устройствами и механизмами
  • Является оборудованием, произведенным в РФ (Постановление Правительства № 719, Заключение № 10254/1)1
  • Является средством измерения (Сертификат № 82575-21)

Характеристики


Гониометр


Тип вертикальный двухкружный θ-θ
Рентгенооптическая схема Брэгга-Брентано (базовая)
Радиус R, мм 180-300
Диапазоны углов, град от -10 до 165 
θD от -5 до 165
θF от -5 до 95
Режимы сканирования пошаговый/непрерывный
Методы сканирования θ-θ, θ, Ω, 2θ-Ω
Минимальный шаг сканирования, град 0.0005
Скорость сканирования, град/мин от 0.1 до 100
Воспроизводимость, град ±0.001
Транспортная скорость, град/мин 2000


Система регистрации (базовая):


Тип детектора сцинтилляционный NaI (Tl)
Скорость счета, имп/с до 1 000 000


Высоковольтный источник питания:


Мощность, кВт 3
Напряжение, кВ 0-60
Ток, мА 0-80
Стабильность анодного тока и напряжения, % 0,01
Охлаждение воздушное


Рентгеновская трубка (базовая):


Тип 1,5БСВ-29Cu
Размер фокуса, мм 0.4 х 8
Охлаждение водяное

Управляющий персональный компьютер:


Системный блок: процессор INTEL Сore i5; ОЗУ от 8 Gb; жесткий диск от 500 Гб; ОС Windows7/8/10 32 или 64 bit; наличие COM-порта; наличие 2-х Ethernet портов. Периферийные устройства: монитор ЖК от 24". Вышеуказанный управляющий ПК тестируется производителем оборудования на совместимость с дифрактометром и является его неотъемлемой частью.

Базовая комплектация

  • Защитный кабинет с блокировкой дверей
  • Двухкружный гониометр
  • Высоковольтный источник питания рентгеновской трубки
  • Рентгеновская трубка БСВ-29 в защитном кожухе с программно-управляемой электромагнитной заслонкой
  • Сцинтилляционный блок детектирования
  • Держатель для порошковых образцов с вращением
  • Коллимационная система с комплектом щелей
  • β-фильтр
  • Контрольный образец для настройки прибора
  • Программа управления и сбора данных Data Collection
  • Персональный компьютер
  • Инструменты, запасные и сменные части

Опции

Приставки и держатели
Автосменщик образцов
Одноосная φ-приставка
Держатель цилиндрических образцов (капилляров)
Универсальная приставка для измерения на отражение и просвет различных типов образцов
Приставка Гандольфи
Двухосная χϕ-приставка (ПГТМ)
Трехосная φχz приставка с наклоном
Трехосная xyφ приставка с картированием
Четырехосный xyzφ держатель больших образцов (ДБО)
Многофункциональная пятиосная xyzχφ приставка
Рентгенооптические элементы
Комплект с параболическим зеркалом (мультислойный рентгенооптический элемент для формирования параллельно-лучевой геометрии – зеркало Гебеля)
Универсальный держатель монохроматора на дифрагированном пучке
Экваториальная щель Соллера (0.4 град.)
Универсальные моторизованные держатели монохроматоров
Моторизованный монохроматор Бартельса
Перестраиваемая моторизованная рентгенооптическая система для геометрии высокого разрешения
Автоматический аттенюатор рентгеновского пучка
Кристаллы-монохроматоры (плоские и прорезные)
Бета фильтры для различных излучений
Эргономика
Автоматическая система юстировки рентгенооптической системы
Моторизованный кожух рентгеновской трубки
Моторизованная экваториальная щель на первичном пучке
Моторизованная экваториальная щель на дифрагированном пучке
Моторизованная экваториальная щель на первичном пучке
Перестраиваемая моторизованная рентгенооптическая система для геометрии высокого разрешения
Автоматический аттенюатор рентгеновского пучка
Видеосистема
Комплект бесперебойного питания
Лазерный указатель пучка
Система охлаждения (чиллер)
Камеры для исследований в специальных условиях
Высокотемпературная камера HTK-1200N с вращающимся держателем образцов
Высокотемпературная камера HTK 16N/2000N со стриповым нагревателем
Низкотемпературная камера TTK-600
Вакуумная система
Системы регистрации
Комплект для установки двух детекторов
Система быстрой регистрации (детектор Mythen 2R 1D)
Кюветы и прободержатели
Кварцевые кюветы различной глубины
Кремниевый монокристаллический держатель Ø25*1 мм с низким фоном с полированной поверхностью для нанесения образцов
Кремниевый монокристаллический держатель Ø25*1 мм с низким фоном с углублением Ø12*0,5 мм для заполнения образцом
Кремниевый монокристаллический держатель Ø25*1 мм с низким фоном с углублением Ø20*0,5 мм для заполнения образцом
Кювета из монокристаллического кремния (111) для эталонирования
Кювета из монокристаллического кремния (911) с низким фоном
Кювета переменной глубины для массивных образцов
Автоматическая система юстировки рентгенооптической системы

Состоит из следующих основных программно-управляемых компонентов:

  1. моторизованные подвижки кожуха рентгеновской трубки;
  2. универсальные держатели рентгенооптических устройств на первичном и дифрагированном пучках;
  3. моторизованные коллимационные щели на первичном и дифрагированном пучках.

В комплект также входят контроллер, платы управления, кабели связи и программное обеспечение.

Обеспечивает:

  • автоматическую юстировку рентгеновской трубки при ее повороте и замене;

  • автоматическое управление коллимационной системой на первичном и дифрагированном пучках при проведении измерений, в том числе в режиме постоянной площади на образце;

  • автоматическую юстировку всей рентгенооптической системы при настройке дифрактометра;

  • освобождение от радиационного контроля и радиационную безопасность персонала.

Автосменщик образцов

Автосменщик образцов на 6 позиций для потокового измерения порошковых или монолитных образцов (диаметром до 28 мм, толщиной до 25 мм) на дифрактометре.


  • автоматическая юстировка плоскости образца перед измерением (по указанию пользователя);
  • скорость вращения образца в своей плоскости: 0,5 или 1 об/сек.
Высокотемпературная камера HTK-1200N с вращающимся держателем образцов

Высокотемпературная камера HTK 1200N применяется для проведения in situ исследований фазовых превращений, химических реакций и термических деформаций кристаллической решетки при нагреве от +25 до +1200 оС.

Давление
от 10-4 мбар до 1 бар
Атмосфера
воздух, O2, N2, He, инертные газы, вакуум (опционально)
Углы сканирования
0 - 164 ˚2θ
Кювета
корунд, Ø 16 мм
Держатель образца
Съемный, с вращением

Устанавливается на механизм перемещения (лифт) для выведения плоскости образца на ось гониометра.



нтк1.jpg

Без вакуумной системы


нтк2.jpg

С вакуумной системой

Система управления нагревом и вакуумом.jpg
Система управления нагревом и вакуумом

Комплект с параболическим зеркалом (мультислойный рентгенооптический элемент для формирования параллельно-лучевой геометрии – зеркало Гебеля)

Рентгенооптическая система с одномерным параболическим зеркалом для перехода в параллельно-лучевую геометрию служит для монохроматизации и повышения светосилы первичного пучка.


Необходима для исследований объектов с неровной поверхностью.


Применяется для малоугловых исследований, исследований в геометрии скользящего пучка и для рефлектометрии.

Высокотемпературная камера HTK 16N/2000N со стриповым нагревателем

Высокотемпературная камера HTK 16N/2000N со стриповым нагревателем применяется для проведения in situ исследований фазовых превращений, химических реакций и термических деформаций кристаллической решетки при нагреве от +25 до +1600/+2300 оС (в зависимости от материала нагревателя и атмосферы).

Устанавливается на механизм перемещения (лифт) для выведения плоскости образца на ось гониометра.

Рабочие температуры:

HTK 16N

HTK 2000N

25 °- 1600 °C

Нагреватель из Pt;

в вакууме, на воздухе

25 - 2300 °C

Нагреватель из W;

в вакууме

25 - 1500 °C

Нагреватель из Ta;

в вакууме

25 - 1600 °C

Нагреватель из Pt;

в вакууме, на воздухе

25 - 1500 °C/1300 °C

Нагреватель из графита;

в вакууме/гелии;

25 - 1500 °C

Нагреватель из Ta;

в вакууме

Углы сканирования 2Θ: 4 - 164°

Геометрия измерений: отражение

Размер образца: 10 х 0.1 мм2

Давление: от ≤2.10-4 мбар до 0,5 бар
Моторизованный кожух рентгеновской трубки

Моторизация кожуха рентгеновской трубки для ее дистанционной настройки при замене трубки в аппаратах.
Имеет две программно-управляемые подвижки – линейное перемещение и поворот.

Одноосная φ-приставка

Используется для определения ориентации монокристаллов, для анализа текстур и остаточных напряжений в режимах Ω, Ω-φ, 2Θ-Ω, а также для анализа фазового состава и структурных характеристик объектов различной формы и размера, в том числе порошковых проб.


Позволяет проводить измерения образцов диаметром до 100 мм и высотой до 20 мм. 


Автоматическая юстировка плоскости образца по датчику положения в пределах от – 5 до +20 мм с точностью 5 мкм. 

Дискретность φ-поворота составляет 0,001 град. 

Скорость вращения по φ - от 0.5 до 30 об/мин.

Универсальный держатель монохроматора на дифрагированном пучке

Универсальный держатель для монохроматора на дифрагированном пучке устанавливается на кронштейн детектора.

Используется для монохроматизации рентгеновского излучения от молибдена до хрома.

Предназначен для установки плоских кристаллов-монохроматоров из различных материалов, в том числе из пиролитического графита.

Рекомендуется применять при исследованиях поликристаллических образцов.

Держатель цилиндрических образцов (капилляров)

Держатель цилиндрических образцов (капилляров) диаметром 0,1-1,0 мм.
Предназначен для измерений порошковых проб на просвет в геометрии Дебая-Шеррера. 

Держатель обеспечивает вращение капилляра в процессе съемки.

Оснащен гониометрическим устройством с двумя перпендикулярными угловыми подвижками для юстировки капилляра.

Комплектуется видеокамерой для визуализации образца при его установке в держатель.

Рекомендуется использовать в сочетании с линейным ПЧД

.
Моторизованная экваториальная щель на первичном пучке

Устанавливается на первичном и/или дифрагированном пучке.

Обеспечивает управление коллимацией рентгеновского пучка при проведении измерений, в том числе в режиме постоянной площади на образце.

 

Диапазон ширины щели: 0-4 мм.

Минимальный шаг: 0.01 мм.

 

В комплект также входят:

  • контроллер;

  • плата управления;

  • кабели связи;

  • программное обеспечение.
Низкотемпературная камера TTK-600

Низкотемпературная камера TTK-600 предназначена для проведения in situ исследований фазовых превращений, химических реакций и термических деформаций кристаллической решетки при охлаждении и нагреве в диапазоне температур от -190 до  +600 0С.

Рабочие температуры:

  • -190 ˚C to 600 ˚C - охлаждение жидким азотом

  • -10 ˚C to 600 ˚C - охлаждение сжатым воздухом

Атмосфера: вакуум (10-2 мбар) – опционально, воздух, инертный газ.

Углы сканирования: 0 - 164° 2Θ

Держатель образца: 14 x 10 мм, никелированная медь, съемный, без вращения

Устанавливается на механизм перемещения (лифт) для выведения плоскости образца на ось гониометра.

Универсальная приставка для измерения на отражение и просвет различных типов образцов

Применяется для измерений в режиме на отражение и на просвет в том числе для:

  • малоугловых исследований;

  • рефлектометрии.


Различные типы образцов:

  • порошки;

  • массивные образцы и тонкие пленки Ø до 100 мм;

  • капилляры (волокна) Ø1.0, 0.5 и 0.1 мм;

  • тонкие пленки на стеклянной подложке небольшого размера;

  • жидкости и гели.
Экваториальная щель Соллера (0.4 град.)

 соллер1.jpg    соллер2.png


Экваториальная щель Соллера с расходимостью 0.4° используется при исследованиях тонких пленок и покрытий в параллельно-лучевой геометрии и в геометрии скользящего пучка.

Устанавливается на дифрагированный пучок и формирует его квазипараллельность для повышения углового разрешения всей рентгенооптической схемы.

Рабочая область щели составляет 3х10 мм2.

Материал пластин – тантал.


соллер3.png

Конфигурация с параболическим зеркалом и экваториальной щелью Соллера для перехода в геометрию скользящего пучка. 





соллер4.png


Рентгенограммы тонкой пленки ZnO толщиной 60 нм на подложке из монокристаллического кремния (100), измеренные в геометрии Брэгга-Брентано (красная линия) и в геометрии скользящего пучка (черная линия). 

Вакуумная система

Вакуумная система является дополнительным устройством для высокотемпературной камеры и имеет в комплекте два вакуумных насоса: 

роторный и турбомолекулярный для создания внутри высокотемпературной камеры:

  • низкого (<2x10-3 мбар) и

  • высокого (<8x10-9 мбар) вакуума.

Моторизованная экваториальная щель на дифрагированном пучке

Устанавливается на дифрагированном пучке перед сцинтилляционным детектором;

Обеспечивает управление коллимацией рентгеновского пучка при проведении измерений.

 

Диапазон ширины щели: 0-4 мм.

Минимальный шаг: 0.01 мм.

 

В комплект также входят:

  • контроллер,

  • плата управления,

  • кабели связи

  • программное обеспечение

Приставка Гандольфи

Приставка Гандольфи предназначена для измерений порошковых рентгенограмм от монокристаллических зёрен случайной формы размером не более 1-2 мм.


Приставка представляет собой сменный держатель образца с гониометрической головкой, имеющей две оси вращения – одну моторизованную и одну ведомую, расположенные под углом 45 градусов, и две ручные линейные подвижки во взаимно перпендикулярных направлениях для центрирования образца.


Приставка обеспечивает вращение образца одновременно в двух направлениях под углом 45 градусов с постоянной скоростью по оси φ в диапазоне от 10 до 120 об/мин, управляемое из интерфейса программы управления и сбора данных.


Центр вращения образца совмещается с рентгенооптической осью дифрактометра по тени от кристалла на первичном пучке.

В комплект также входит приспособление для установки приставки Гандольфи на столе оператора, обеспечивающее вращение образца на 360 градусов вокруг оси фи и оснащенное системой визуализации для закрепления и центрировки образца.

Приставка Гандольфи применяется в сочетании с системой быстрой регистрации для оптимизации времени измерения и для получения пригодных для анализа данных.

Универсальные моторизованные держатели монохроматоров
1.png
 ·         Устанавливаются на первичный и/или дифрагированный пучок;

·         Имеют две моторизованные подвижки для программно-управляемой настройки;

·         Предназначены для монохроматизации любого рентгеновского излучения (от Мо до Cr);

·         Позволяют устанавливать плоские или прорезные кристаллы-монохроматоры из любого материала (Ge, Si, SiO2, LiF, графит и др.) в любой ориентации (111, 100, 110 и др.);

·         Удаляют фон и B-линию;

·         Выделяют монохроматическую Kα1 линию с прорезным кристаллом-монохроматором;

·         При одновременной установке двух прорезных кристаллов-монохроматоров Ge 220 на первичном и дифрагированном пучке рентгеноопттческая система дифрактометра обеспечивает измерения в геометрии высокого разрешения с выделением монохроматической Kα1 линии с интенсивностью более 1,5 млн имп/с и угловым разрешением не хуже 12 угл. сек.

8.PNG

7.PNG

Программное управление юстировкой                                                                     

  • Юстировка угла поворота монохроматора θ;

  • Юстировка высоты монохроматора Z;

  • Выделение Kα1 линии;

  • Обеспечение радиационной безопасности


2.png



Двухосная χϕ-приставка (ПГТМ)

Приставка для анализа текстур и макронапряжений в поликристаллических образцах и для экспрессного определения ориентации небольших монокристаллов диаметром до 28 мм. 


Обеспечивает два независимых программно-управляемых перемещения образца:

  • поворот (вращение) вокруг оси φ - от 0 до 360°,

  • наклон по оси χ - от –3 до +70°.


В составе дифрактометра позволяет проводить сбор данных методом поворота Ω–φ и методом наклона χ–φ, а также сочетать сбор данных методом наклона χ–φ при фиксированном угле дифракции 2θ с методом θ–θ при фиксированном положении приводов (χ,φ) приставки.

Это дает возможность определять ориентацию монокристалла, выводить в отражающее положение конкретный брэгговский рефлекс по измеренным координатам (χ,φ) и проводить θ–θ сканирование этого рефлекса для определения межплоскостного расстояния в данном направлении.

Моторизованная экваториальная щель на первичном пучке

пуч1.jpg  


Устанавливается на первичном и/или дифрагированном пучке;

Обеспечивает управление коллимацией рентгеновского пучка при проведении измерений, в том числе в режиме постоянной площади на образце.

 

Диапазон ширины щели: 0-4 мм.

Минимальный шаг: 0.01 мм.

 

В комплект также входят:

  • контроллер;

  • плата управления;

  • кабели связи;

  • программное обеспечение.

мэщп.PNG

Сравнение рентегнограммы корунда, измеренной в режиме постоянной щели (красный) и в режиме постоянной площади на образце (синий)
Моторизованный монохроматор Бартельса

бартельс1.jpg


Моторизованный четырехкратный прорезной монохроматор Бартельса Ge 220 х 4, установленный на первичном пучке, позволяет получать монохроматическую Ka1 линию с угловым разрешением не более 12 угл. сек.

Используется только для медного излучения. Применяется для исследований эпитаксиальных наногетероструктур и высококачественных монокристаллов.

Программно-управляемая настройка кристаллов обеспечивает переключение между геометриями

  • высокого разрешения (а) и
  • парафокусирующей Брэгга-Брентано (б)

для исследований поликристаллических объектов.

бартельс 111.PNG

Перестраиваемая моторизованная рентгенооптическая система для геометрии высокого разрешения

Моторизованная рентгенооптическая система (далее - РОС) предназначена для программного управления коллимацией первичного пучка и обеспечивает перестраивание конфигурации для реализации различных методов исследования в параллельно-лучевой геометрии и в геометрии высокого разрешения.


РОС состоит из:

  • механизма перемещения кожуха РТ

  • параболического зеркала;

  • автоматического аттенюатора рентгеновского пучка;

  • моторизованного монохроматора первичного пучка;

  • моторизированной щели первичного пучка;


В сочетании с многофункциональной xyzχφ приставкой моторизованная РОС позволяет проводить измерения различных поликристаллических и монокристаллических объектов (порошков, монолитных образцов, покрытий, монокристаллических пластин, тонких пленок, в том числе эпитаксиальных) для анализа их фазового состава и структурных особенностей, в том числе текстурированного и напряженного состояния, ориентации и качества в различных точках поверхности исследуемого объекта. 


Автоматический аттенюатор рентгеновского пучка

Автоматический аттенюатор устанавливается на пути первичного пучка и имеет 4 автоматически переключаемых позиции, обеспечивающие следующие фиксированные величины ослабления: 1, 150, 800, 3000.

Управление аттенюатором интегрировано в систему управления и сбора данных дифрактометра и обеспечивает:

  • автоматическое управление ослаблением рентгеновского пучка при проведении измерений и коррекцию измеренных значений интенсивности на величину вносимого ослабления; интенсивности для внесения в пучок поглотителя и для его извлечения из пучка;

  • выбор пользователем позиции с поглотителем, который будет использоваться в последующих измерениях;

  • задание пользователем порогов интенсивности для внесения в пучок поглотителя и для его извлечения из пучка;

  • выбор пользователем позиции с поглотителем, который будет использоваться в последующих измерениях.

Перестраиваемая моторизованная рентгенооптическая система для геометрии высокого разрешения

Моторизованная рентгенооптическая система (далее - РОС) предназначена для программного управления коллимацией первичного пучка и обеспечивает перестраивание конфигурации для реализации различных методов исследования в параллельно-лучевой геометрии и в геометрии высокого разрешения.


РОС состоит из:

  • механизма перемещения кожуха РТ

  • параболического зеркала;

  • автоматического аттенюатора рентгеновского пучка;

  • моторизованного монохроматора первичного пучка;

  • моторизированной щели первичного пучка;


В сочетании с многофункциональной xyzχφ приставкой моторизованная РОС позволяет проводить измерения различных поликристаллических и монокристаллических объектов (порошков, монолитных образцов, покрытий, монокристаллических пластин, тонких пленок, в том числе эпитаксиальных) для анализа их фазового состава и структурных особенностей, в том числе текстурированного и напряженного состояния, ориентации и качества в различных точках поверхности исследуемого объекта. 

Трехосная φχz приставка с наклоном

Трехосная φχz приставка предназначена для анализа текстурированного и напряженного состояния поликристаллических материалов, для анализа фазового состава порошков, 

а также для анализа структуры эпитаксиальных тонких пленок и для определения ориентации и качества монокристаллов.


Используется для измерения распределения интенсивности отражений hkl по двум угловым координатам и для представления этого распределения в виде полюсных фигур.


Имеет три съемных держателя для различных по форме и размеру образцов диаметром до 100 мм, толщиной до 2 см и весом до 1 кг:

  • столик для пластин (с вакуумным захватом);

  • шайба для кювет с порошковыми пробами;

  • зажим для объектов неправильной формы.


Основные технические характеристики:

Ось

Диапазон

Минимальный шаг

Скорость перемещения

Режимы перемещения

χ

 -3 до +75

не более 0,01

не менее

2,5 о/сек

Дискретный

φ

360

не более 0,05

от 0,5
до 30 о/сек

Дискретный, непрерывный

z

от -3 до +1 мм

не более 5 мкм

не менее

0,5 мм/сек

Дискретный

Автоматический аттенюатор рентгеновского пучка

Автоматический аттенюатор устанавливается на пути первичного пучка и имеет 4 автоматически переключаемых позиции, обеспечивающие следующие фиксированные величины ослабления: 1, 150, 800, 3000.


Управление аттенюатором интегрировано в систему управления и сбора данных дифрактометра и обеспечивает:


  • автоматическое управление ослаблением рентгеновского пучка при проведении измерений и коррекцию измеренных значений интенсивности на величину вносимого ослабления; интенсивности для внесения в пучок поглотителя и для его извлечения из пучка;

  • выбор пользователем позиции с поглотителем, который будет использоваться в последующих измерениях.

  • задание пользователем порогов интенсивности для внесения в пучок поглотителя и для его извлечения из пучка;

  • выбор пользователем позиции с поглотителем, который будет использоваться в последующих измерениях.

Трехосная xyφ приставка с картированием

Трехосная xyφ приставка предназначена для анализа фазового и структурного состояния поликристаллических материалов в различных точках поверхности образца диаметром до 100 мм, толщиной до 20 мм и весом до 1 кг, а также для исследований порошковых проб.

 

Может также применяться для определения ориентации и качества монокристаллов по кривым качания.


Основные технические характеристики:

Ось

Диапазон

Минимальный шаг

Скорость перемещения

Режимы перемещения

φ

360о

 не более 0,01

от 0,5 до 15 о/мин

Дискретный, непрерывный

x, y

50 мм

0.1 мм

10 мм/сек

Дискретный

Кристаллы-монохроматоры (плоские и прорезные)

Плоские кристаллы-монохроматоры вырезаны из монокристаллов Si или Ge в различных ориентациях (111, 220, 200). 

Закреплены в оправках или на подложках. 

Размер кристаллов - 20 x 22 мм2.


Прорезные кристаллы-монохроматоры вырезаны из монокристаллов Si или Ge в различных ориентациях (111, 220, 200). 

Закреплены в оправках.


Кристаллы-монохроматоры могут устанавливаться в посадочные места универсальных держателей монохроматоров на первичном и дифрагированном пучках.


Монохроматоры обычно применяются для исследований качества монокристаллов при различных излучениях (от Mo до Cr). а также для исследований эпитаксиальных тонких пленок.

Четырехосный xyzφ держатель больших образцов (ДБО)

Используется для анализа фазового состава и структурных характеристик крупногабаритных объектов различной формы и размера, в том числе при сканировании по поверхности, а также для определения ориентации монокристаллов, анализа текстур и остаточных напряжений в режимах Ω, Ω-φ, 2Θ-Ω.

Позволяет проводить измерения образцов весом до 50 кг, диаметром до 300 мм и высотой до 250 мм.

Можно устанавливать стандартную кювету с порошком при необходимости.

Автоматические каретки держателя обеспечивают вывод требуемой области под рентгеновский пучок для проведения измерений.


Примеры применения:

  • анализ остаточных напряжений в различных точках турбинной лопатки.
  • определение минерального состава руды и вмещающей породы непосредственно в керне без его разрушения.
  • определение ориентации монокристаллов и изделий из них.

Основные технические характеристики:

  • программно-управляемое перемещение z по вертикали:

- диапазон перемещения, мм: не хуже ± 20;

- точность позиционирования, мкм: не хуже ± 5;

  • программно-управляемое перемещение xy (в двух перпендикулярных направлениях в плоскости образца):

- диапазон перемещения, мм: ± 100;

- точность позиционирования, мм: не хуже ± 0,1;

  • программно-управляемый поворот φ (или вращение с задаваемой скоростью) в плоскости образца:

- скорость вращения, об/мин: от 0,5 до 30;

- точность позиционирования, град: не хуже ± 0,001.

  • автоматическая юстировка плоскости образца в диапазоне от - 20 до + 5 мм с точностью 5 мкм.


Бета фильтры для различных излучений

Монохроматизация рентгеновского излучения трубок с различными анодами при установке точечного или позиционно-чувствительного детектора.

Размеры активной области фильтров:

  • для точечного детектора – 10х15 мм
  • для ПЧД – 8х32 или 8х64 мм

Многофункциональная пятиосная xyzχφ приставка

Используется для определения ориентации и качества монокристаллов, исследования структуры эпитаксиальных тонких пленок, анализа текстур и остаточных напряжений в режимах Ω, Ω-ϕ, χ-ϕ, 2θ-Ω, а также для анализа фазового состава и структурных характеристик объектов различной формы и размера, в том числе при х-y сканировании по их поверхности.

Позволяет устанавливать образцы диаметром до 100 мм, толщиной до 10 мм и весом до 1 кг.

Реализованы два способа крепления образцов:

•    вакуумный способ крепления для тонких плоскопараллельных пластин диаметром от 10 до 100 мм весом не более 150 г;

•    зажим с переменной глубиной для монолитных образцов неправильной формы весом до 1 кг.


Основные технические характеристики:

  • автоматическая юстировка плоскости образца в горизонтальном положении;

  • перемещение плоскости образца по оси z в диапазоне от -3 до +1 мм с точностью не менее 5 мкм и скоростью не менее 0.5 мм/сек;

  • φ-поворот в плоскости образца в диапазоне 360 град. с дискретностью не хуже 0,002 град;

  • скорость вращения по углу φ в диапазоне от 0.5 до 30 град/сек в непрерывном и дискретном режимах;

  • наклон плоскости образца по углу χ в диапазоне от -5 до +95 град. с дискретностью не хуже 0.002 град;

  • скорость наклона по углу χ в дискретном режиме не менее 2.5 град/сек;

  • диапазон x и y перемещений (в диагональном направлении) в плоскости образца не менее ±20 мм с шагом не более 0.1 мм.
Кварцевые кюветы различной глубины
Кюветы из кварцевого стекла для запрессовывания порошковых образцов или для установки небольших пластин. Кювета имеет углубление диаметром 28 мм и глубиной 0.5, 1 или 2 мм.
Комплект для установки двух детекторов

Обеспечивает:


  • одновременную установку и быстрое переключение между точечным (сцинтилляционным) и линейным позиционно-чувствительным детекторами непосредственно в программном интерфейсе;

  • угловой диапазон для линейного позиционно-чувствительного детектора -  от -10 до +140°;

  • угловой диапазон для сцинтилляционного детектора - от -10 до +165°.
Кремниевый монокристаллический держатель Ø25*1 мм с низким фоном с полированной поверхностью для нанесения образцов
Подложка с низким фоном вырезана из монокристаллического кремния с ориентацией (911). Предназначена для исследований микроколичеств вещества. Устанавливается в стандартную кювету из кварцевого стекла глубиной 2 мм.
Кремниевый монокристаллический держатель Ø25*1 мм с низким фоном с углублением Ø12*0,5 мм для заполнения образцом
Подложка с низким фоном вырезана из монокристаллического кремния с ориентацией (911). Предназначена для исследований микроколичеств вещества. Имеет лунку для запрессовывания порошкового образца. Устанавливается в стандартную кювету из кварцевого стекла глубиной 2 мм.
Кремниевый монокристаллический держатель Ø25*1 мм с низким фоном с углублением Ø20*0,5 мм для заполнения образцом
Подложка с низким фоном вырезана из монокристаллического кремния с ориентацией (911). Предназначена для исследований микроколичеств вещества. Имеет лунку для запрессовывания порошкового образца. Устанавливается в стандартную кювету из кварцевого стекла глубиной 2 мм.
Кювета из монокристаллического кремния (111) для эталонирования
Кювета из монокристаллического кремния (111) с лункой Ø 10-15 мм для эталонирования порошковых проб, запресованных в лунку, по реперным рефлексам hhh кремния во всем угловом диапазоне.
Кювета из монокристаллического кремния (911) с низким фоном
Низкофоновая кювета из монокристаллического кремния (911) с полированнной поверхностью для исследований микроколичеств вещества.  
Кювета переменной глубины для массивных образцов
Кювета переменной глубины для установки монолитных образцов Ø до 20 мм и длиной до 60 мм в базовый держатель образцов с вращением (для настольного дифрактометра Колибри длина кюветы – 30 мм). 
Система быстрой регистрации (детектор Mythen 2R 1D)

Линейный стриповый позиционно-чувствительный детектор Mythen 2R 1D (Dectris, Швейцария) с держателем, щелевым устройством и ловушкой первичного пучка.

Система обеспечивает быстродействие аппарата в 50 раз больше, чем с точечным детектором (несколько минут вместо нескольких часов измерений для получения хорошей статистики данных).

В систему также входит коллимационная система на дифрагированном пучке и ловушка первичного пучка для обеспечения измерений на ближних углах (с 3 град.).

Особенно эффективно использовать СБР для исследований плохо окристаллизованных, быстро разлагающихся объектов или малых количеств вещества.

Незаменима при in situ исследованиях химических реакций и фазовых превращений в сочетании с высоко-и низкотемпературными приставками и при сборе данных для анализа остаточных напряжений.

Характеристики ПЧД Mythen 2R 1D:

  • сенсор: линейка кремниевых диодов;
  • размер стрипа: 50 мкм ± 3 мкм;
  • количество каналов: 640;
  • активная область: 8 x 32 мм2;
  • скорость счета на один канал: > 1 x 106;
  • диапазон энергий: 4 - 40 кэВ;
  • эффективность (для 8 кэВ): 96%;
  • охлаждение: воздушное.
Видеосистема

Видеосистема предназначена для визуализации микрообъектов на поверхности образца.
Закрепляется внутри защитного кабинета дифрактометра на кронштейне.
Визуализация объекта интегрирована в программу управления и сбора данных дифрактометра.

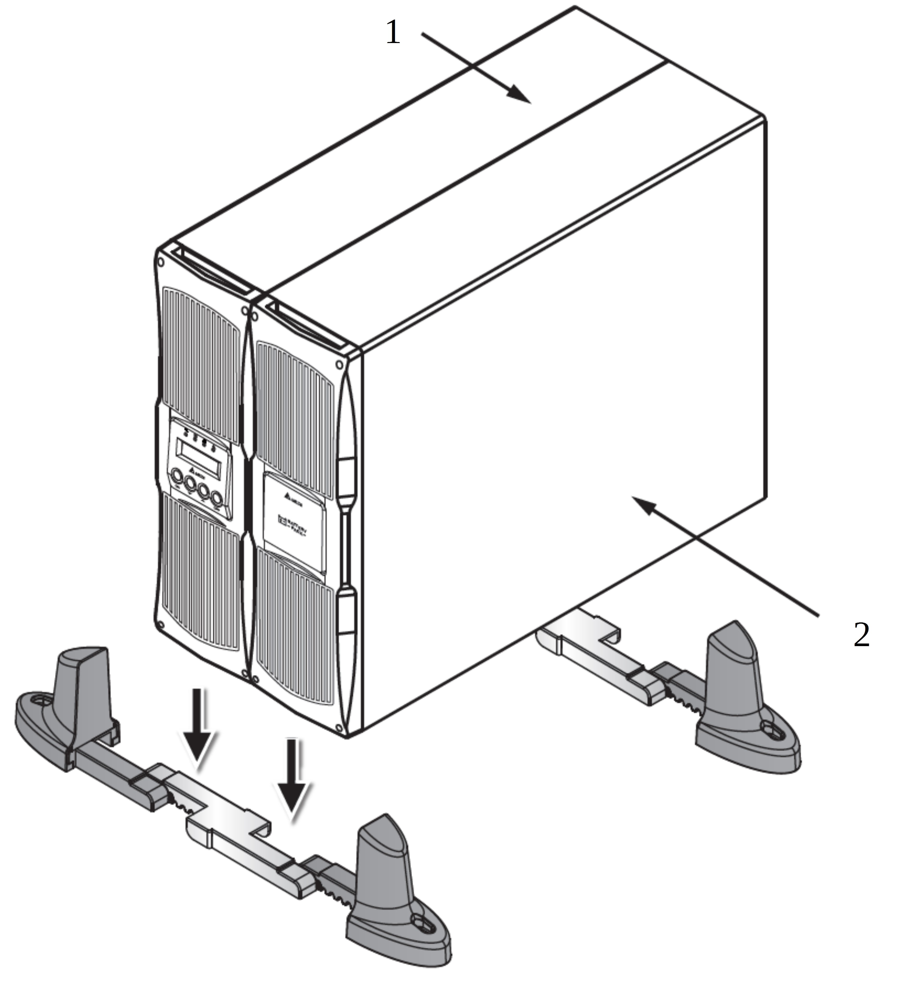
Комплект бесперебойного питания

Комплект бесперебойного питания предназначен для обеспечения бесперебойной работы дифрактометра ДРОН-8Н/ДРОН-8Т в базовой конфигурации или с комплектом опций.

Включает в себя ИБП (Источник бесперебойного питания Delta Electronics GES103R212035 с блоком батарейным GES201B109700.) 

и комплект монтажных частей для подключения его к электрической (питающей) сети на территории заказчика. 

Обеспечивает 1 час автономной работы аппарата с потребляемой мощностью 5 кВт.

Лазерный указатель пучка

Устройство применяется для визуализации места падения рентгеновского пучка на образец при локальном анализе фазового состава и структурных характеристик в различных частях его поверхности.


Опция устанавливается внутри защитного кабинета и обычно используется вместе с приставками, имеющими возможность xy-сканирования.

Система охлаждения (чиллер)

Автономная система охлаждения рефрижераторного типа (типа воздух-вода).

Обеспечивает охлаждение рентгеновской трубки дистиллированной водой по замкнутому контуру, поддерживает температуру воды с точностью 0,5 град.

Программное обеспечение

Аналитическое
Аналитический программный комплекс «Кристаллография и дифракционный анализ» (КДА)
Программное обеспечение для рентгенофазового анализа со встроенной картотекой порошковых стандартов
Программный комплекс «Текстура»
Аналитический программный комплекс для анализа остаточных напряжений «StressMaster»
Карты обратного пространства - RSM
Качественный и количественный фазовый анализ по базе COD
Моделирование рефлектометрических кривых– XRR simulation
Управляющее
Программный комплекс для управления и сбора данных Data Collection
Программная опция «XY-картирование»
Кристаллографический комплекс PDWin
Расчет областей когерентного рассеяния и микродеформаций - Size&Strain
Автоиндицирование – Ind
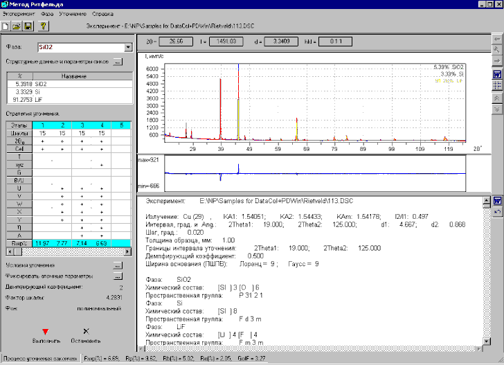
Метод Ритвельда – Rietveld
Предварительная обработка – DrWin
Расчет макронапряжений – MacroStress
Расчет теоретической дифрактограммы – TheorPattern
Терморентгенография – Thermo
Уточнение параметров элементарной ячейки – Param
Аналитический программный комплекс «Кристаллография и дифракционный анализ» (КДА)
Включает следующие модули для обработки и анализа порошковых данных:

  • операции с измеренными данными и их сравнение;
  • обработка дифрактограмм (аппроксимация инструментального и физического фона, поиск пиков, разделение дуплетов, расчет интенсивностей);
  • расчет степени кристалличности (содержание аморфной фазы);
  • качественный и количественный фазовый анализ по базе COD;
  • уточнение параметров элементарной ячейки;
  • расчет теоретической дифрактограммы;
  • уточнение структуры и количественный анализ полнопрофильным методом Ритвельда;
  • оценка размеров кристаллитов.
Программный комплекс для управления и сбора данных Data Collection
Свидетельство о государственной регистрации программы для ЭВМ №2016615887

Программный комплекс предназначен для измерения рентгенодифракционных спектров на дифрактометре ДРОН-8 с различными опционными устройствами (приставками, камерами и др.).
Программный комплекс осуществляет управление различными конфигурациями дифрактометра, сбор данных в непрерывном или пошаговом режиме при различных алгоритмах взаимодействия управляемых механизмов и приводов, а также сохранение измеренных данных в виде файла данных различного формата.
Программа имеет графический интерфейс для on-line визуализации измеряемых спектров, русскоязычный и англоязычный интерфейс со встроенной системой помощи на русском языке.
Программа функционирует в операционных системах Windows 10.
Она защищена от несанкционированного доступа, который может привести к искажению результатов измерений.


Программный комплекс обеспечивает:

  • управление и контроль состояния основных узлов и механизмов дифрактометра;
  • диагностику и отработку аварийных ситуаций, возникающих при работе дифрактометра и его исполнительных механизмов;
  • автоматическое построение кривой амплитудного распределения детектора
  • пошаговое и непрерывное измерение дифракционного спектра в заданном угловом диапазоне с заданной экспозицией (или скоростью сканирования) при θ-θ, θ, Ω, 2θ-Ω –сканировании;
  • измерение с многократным сканированием различных угловых интервалов с последующим усреднением или суммированием результатов.

Специализированный программный комплекс для сбора и обработки данных обеспечивает (при наличии соответствующих приставок):

  • быстрый поиск рефлексов методами омега-фи и/или хи-фи;
  • определение (Ω, φ)- и/или (χ, φ)-координат найденных рефлексов;
  • поворот образца вокруг своей оси на заданный угол φ;
  • выставление приводов гониометра и приставки на определенные (Ω, φ)- и/или (χ, φ)-координаты требуемого рефлекса;
  • θ-θ сканирование требуемого рефлекса;
  • определение угловое 2θ положение рефлекса по проведенному скану;
  • расчет метрики кристаллической решетки кубического кристалла в требуемом направлении по определенному положению максимума.
Программное обеспечение для рентгенофазового анализа со встроенной картотекой порошковых стандартов

Предназначено для качественного и полуколичественного фазового анализа экспериментальных рентгенограмм путем поиска фаз по встроенной картотеке порошковых стандартов и обеспечивает:


  • возможность создания пользовательских подбаз для упрощения поиска;
  • возможность добавления собственных стандартов в подбазы;
  • проведение качественного фазового анализа по различным критериям и подбазам;
  • анализ совпавших линий по положению и интенсивности;
  • выбор и фиксирование наилучших решений;
  • расчет концентраций компонентов по методу корундовых чисел;
  • работа с базой данных, в том числе поиск по выбранным критериям;
  • возможность анализа и сравнения результатов нескольких дифрактограмм;
  • создание шаблона для анализа однотипных рентгенограмм.
Программный комплекс «Текстура»

Программный комплекс включает в себя:

  • графическое построение прямых полюсных фигур (ППФ) по массиву экспериментальных данных;
  • повороты ППФ по симметрии;
  • моделирование ППФ;
  • анализ ППФ и идентификация ориентаций;
  • расчет функции распределения ориентаций (ФРО);
  • моделирование ФРО;
  • расчет обратных полюсных фигур (ОПФ);
  • расчет текстурного индекса и доли текстурированности.

Расчет областей когерентного рассеяния и микродеформаций - Size&Strain

  • построение зависимостей вторых моментов, рассчитанных из профилей рефлексов, от угла дифракции;

  • определение размеров кристаллитов и микродеформаций по методу моментов;

  • расчет инструментального фактора;

  • учет поглощения при использовании эталона другого состава.
Автоиндицирование – Ind

Программное обеспечение предназначено для:
  • определения типа решетки Браве;

  • выбора элементарной ячейки;

  • расчета индексов дифракционных отражений;

  • визуализации результатов в виде штрих-диаграммы.
Аналитический программный комплекс для анализа остаточных напряжений «StressMaster»
Включает следующие модули:

  • обработка измеренных рефлексов (аппроксимация фона, разделение дуплета, расчет угловых положений и межплоскостных расстояний);
  • расчет и построение зависимостей деформаций решетки от sin2psi для различных углов фи;
  • встроенная база материалов с коэффициентами и константами, в том числе рентгеновскими константами упругости;
  • расчет напряжений в заданных направлениях;
  • расчет тензора напряжений
Карты обратного пространства - RSM

Программа предназначена для построения карт обратного пространства по данным с дифрактометра ДРОН-8Т, измеренным методом 2θ-Ω в геометрии высокого разрешения, построением профилей в различных направлениях, и их анализа.

Область применения: рентгеноструктурный анализ тонких пленок.

Программа реализует:


  • преобразование экспериментальных данных в координатах 2θ-Ω в карты обратного пространства в координатах qX-qZ и обратно;
  • построение профиля карты в заданном пользователем направлении (вертикальном, горизонтальном, произвольном и из точки (000));
  • изменение настроек графического представления карты (масштабирование, цветовая шкала, контрастность, предоставление в изолиниях);
  • автоматический поиск пиков, определение их положения и интенсивности; сглаживание и аппроксимацию профилей пиков функцией псевдо-Войта;
  • расчет параметров структуры исследуемых объектов и анализ ее дефектов по двумерному распределению интенсивности (расчет параметров решётки по положению брэгговских максимумов, расчет несоответствия подложки и слоя, расчет толщины слоя по осцилляциям);
  • автоматическую генерацию интервалов 2θ-Ω по заданным значениям qX-qZ и оценку времени эксперимента;
  • сохранение результатов обработки - карту и профиль - в форматах *.png и *.txt и выведение их на печать.
Качественный и количественный фазовый анализ по базе COD
  • поиск и выбор структурных данных по установленным критериям;
  • загрузка файлов структурных данных в формате *.cif с возможностью просмотра и редактирования используемых при расчете параметров;
  • расчет порошковой рентгенограммы по загруженным данным в указанном угловом диапазоне и для указанной длины волны, в том числе для дуплетов и синглетов;
  • расчет рентгенограмм смесей с указанными концентрациями компонентов и с указанным размером кристаллитов для каждого компонента, а также с учетом преимущественной ориентации частиц в заданном кристаллографическом направлении;
  • встроенная база рассчитанных рентгенограмм стандартов (более 20 тыс.);
  • организация пользовательских подбаз рассчитанных рентгенограмм, как из стандартов основной базы, так и непосредственно из базы COD;
  • выбор стандартов из встроенной базы по указанному набору химических элементов;
  • графическая визуализация измеренных данных, сравнение экспериментальных и рассчитанных спектров;
  • функция масштабирования интенсивности и вычитания фона для экспериментальных данных при сравнении с рассчитанной рентгенограммой; 
  • качественный фазовый анализ образцов;
  • установка требуемых критериев поиска (ограничение по элементному или минеральному составу, ограничение по ошибке углового положения и/или по числу совпавших линий, автовыбор наилучшего решения, фиксирование найденных решений с возможностью их исключения из дальнейшего поиска при большом количестве компонентов смеси);
  • количественный фазовый анализ, в том числе при наличии текстуры у одного или нескольких компонентов;
  • уточнение параметров элементарной ячейки и текстурных коэффициентов индивидуально для каждого компонента в анализируемой смеси (при необходимости) для получения наилучшего результата;
  • установка диапазона уточнения ПЭЯ;
  • формирование отчета одной кнопкой;
  • двуязычный интерфейс, встроенная двуязычная хелп-система и всплывающие подсказки.
Метод Ритвельда – Rietveld

Программное обеспечение осуществляет:

  • чтение файлов формата cif из баз структурных данных ICSD и COD и их редактирование;

  • уточнение структуры однофазного/многофазного поликристаллического образца;

  • количественный фазовый анализ смеси (до 10-и компонентов);

  • учет преимущественной ориентации и расчет текстурного коэффициента индивидуально для каждого компонента смеси;

  • расчет полиномиального и физического фона;

  • уточнение индивидуальных коэффициентов U, V, W, X, Y для разных фаз и типов рефлексов;

  • уточнение параметров элементарной ячейки, атомных и тепловых параметров, заселенностей атомных позиций для каждой фазы;

  • выбор стратегии уточнения;

  • управление условиями уточнения;

  • создание и сохранение шаблонов для структурного уточнения и количественного анализа смеси;

  • расчет пяти R-факторов.
Моделирование рефлектометрических кривых– XRR simulation
  • моделирование экспериментальной рефлектометрической кривой;
  • расчет основных параметров пленки и подложки (толщина, плотность шероховатость);
  • возможность задавать несколько типов слоев с различными параметрами;
  • сравнение экспериментальной и рассчитанной кривой по критерию расходимости.
Предварительная обработка – DrWin

  • обработка всей дифрактограммы либо выделенного фрагмента;

  • аппроксимация фона (полиномом либо пользовательской кривой);

  • разделение Ka-дуплетов;

  • определение угловых положений максимумов;

  • аппроксимация профилей рефлексов функцией псевдо-Войта (для всего массива либо индивидуально для каждого пика);

  • расчет линейных и интегральных интенсивностей рефлексов;

  • расчет ПШПВ рефлексов;

  • расчет содержания аморфной фазы (степени кристалличности).
Программная опция «XY-картирование»

Программная опция «XY-картирование» для осуществления локального анализа фазового состава и структурных характеристик монолитных объектов в различных точках их поверхности с автоматическим выводом исследуемой области под рентгеновский пучок.
Реализуется на приставках с моторизованными каретками для перемещения образца под рентгеновских пучком независимо в двух перпендикулярных направлениях.
В зависимости от объекта и задачи выбирается метод сканирования (2θ, θ, Ω, 2θ-Ω) и анализируемая характеристика измеряемого рефлекса (ПШПВ, интенсивность интегральная или максимальная, угловое положение).

Расчет макронапряжений – MacroStress

  • расчет углового положения максимума по центру тяжести или по вершине пика;

  • нахождение матрицы поправок;

  • вычисление линейных, плоских и объемных макронапряжений;

  • расчет погрешностей напряжений.
Расчет теоретической дифрактограммы – TheorPattern

  • чтение файлов формата cif из баз структурных данных ICSD и COD и их редактирование;

  • моделирование дифрактограмм многофазных смесей по структурным данным;

  • учет инструментального фактора;

  • учет текстуры и размеров кристаллитов индивидуально для каждой фазы;

  • сравнение модельной дифрактограммы с экспериментальной;

  • встроенный пакет математической кристаллографии.
Терморентгенография – Thermo
В данном программном обеспечении проводится:
  • 3D-визуализация измеренных рентген-дифракционных данных в координатах «угол дифракции – интенсивность – температура»;
  • калибровка всего массива экспериментальных данных по внутреннему и внешнему стандарту;
  • уточнение параметров элементарной ячейки по всему массиву откалиброванных данных;
  • определение точек фазовых переходов;
  • определение коэффициентов теплового расширения (КТР) в различных направлениях и тензоров термических деформаций;
  • построение фигур КТР.
Поставляется совместно с камерами для исследований в специальных условиях.
Уточнение параметров элементарной ячейки – Param
  • расчет параметров элементарной ячейки (ПЭЯ) для любой из шести сингоний с известными индексами отражений;
  • выбор максимумов для расчета;
  • расчет ПЭЯ для различных компонентов в многофазных системах.

Рентгенооптические схемы

Основная
Дополнительные
Анализ остаточных напряжений и ориентации монокристаллов
Геометрия высокого разрешения
Геометрия скользящего пучка
Дебая-Шеррера
Малоугловое рассеяние
Параллельно-лучевая
Рефлектометрия

Объекты исследований

Дисперсные материалы и порошки (природные и синтетические)
Монолитные поликристаллические образцы (керамики, детали, конструкции, горные породы и.т.п)
Монокристаллы и изделия из них
Тонкие пленки, эпитаксиальные наногетероструктуры
Примеры
Анализ ориентации и качества монокристаллов
Анализ текстур и остаточных напряжений
Малоугловые исследования и рефлектометрия
Фазовый анализ, кристалличность, параметры структуры
Дисперсные материалы и порошки (природные и синтетические)

  • качественный и количественный фазовый анализ;

  • расчет метрики решетки;

  • расчет размеров кристаллитов и микродеформаций;

  • анализ текстур;

  • анализ фазовых превращений, химических реакций и  термических деформаций решетки.
Монолитные поликристаллические образцы (керамики, детали, конструкции, горные породы и.т.п)

  • анализ остаточных напряжений;

  • анализ текстур;

  • фазовый анализ материалов;

  • анализ структурных характеристик;

  • картирование по поверхности.
Монокристаллы и изделия из них

  • определение ориентации и качества;

  • анализ метрики решетки.
Тонкие пленки, эпитаксиальные наногетероструктуры

  • анализ состава, толщины и шероховатости;

  • анализ рассогласования слоев;

  • анализ метрики решетки.
Анализ ориентации и качества монокристаллов
Ω-ϕ скан:
Анализ текстур и остаточных напряжений
Поликристаллических и дисперсных материалов:
Малоугловые исследования и рефлектометрия
Тонких пленок:
Фазовый анализ, кристалличность, параметры структуры
Поликристаллических и дисперсных материалов:

Видеоматериалы